Power Absorbed By Resistor

A Power Absorbed By The Nonlinear Resistor Solid Line And

A Load Consisting Of A 480 W Resistor In Parallel With A 5

In The Above Circuit The Power Absorbed By Th Aspirebuzz


Passive Sign Convention Wikipedia

Chapter02 Of Electrical Engineering Book Solution

Problem 4 5 6

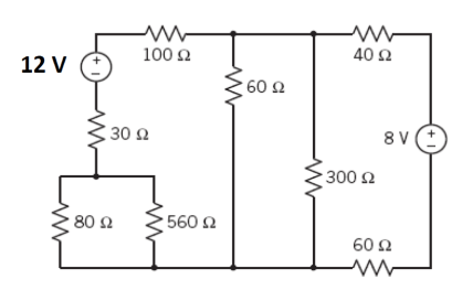
Solved Find The Power Absorbed By Each Of The Resistors I

Solved In The Circuit Shown In Fig 2 87 Determine And

Power Dissipated By Each Component
Problem 1 Solution

Ac Power Analysis 2 Content Average Power Maximum Average

Calculating Power Absorbed By Each Element Electrical
Chapter 2 Homework Solution

Chapter 11 Ac Steady State Power Ppt Video Online Download

Resistor Powers Archives Solved Problems
Comments
Post a Comment